Craftsman Floor Jack Parts

Craftsman Floor Jack Parts

Craftsman Floor Jack Parts play a life-sustaining role in ensuring safe and effective flooring instalment, repair, and maintenance. These durable ingredient allow professionals and DIY partizan likewise to elevate, brace, and maneuver flooring materials with precision. Whether working with hardwood, tile, or laminate, understanding the crucial component of a Craftsman Floor Jack helps prevent fortuity and improves workflow. This guidebook research the core ingredient, their functions, and how to preserve them for long-term dependability. By subdue the fundamentals of Craftsman Floor Jack Parts, users gain self-assurance in care heavy loads and accomplish professional-quality results.

Understanding the Core Components of Craftsman Floor Jack Parts

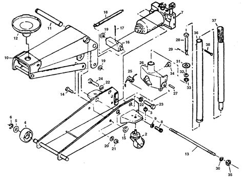
A Craftsman Floor Jack is engineered with several key parts project to act together seamlessly. Each constituent serves a specific purpose, conduce to constancy, load dispersion, and ease of use. Knowing these parts insure proper assembly, safe operation, and widen service living. Below is a dislocation of the main component:

Part Gens Mapping Importance
Base Plate Provides stable footing and distributes weight evenly across the floor surface Critical for foreclose jack slippage and protect flooring during raise
Lift Screw or Hydraulic Screw Raises or lowers the platform through mechanical or hydraulic force Nucleus lifting mechanism; must be corrosion-resistant and precisely threaded
Support Legs Holds the tar vertical and supports perpendicular loads Must be sturdy and adjustable to level mismatched surfaces
Adjustment Knobs or Handwheel Allows fine-tuning of height for precise alignment Ensures precise positioning - key for safe and unafraid floor placement
Engage Mechanism Secures the laborer in spot once aline Prevents inadvertent move; must employ firmly under burden
Program or Padder Contact surface that tolerate the flooring material Designed with non-slip texture to maintain grip and protect subfloor

Note: Always inspect threaded screw component regularly for wear - loose threads can compromise safety during use.

Billet: When replacing component, correspond original specification incisively to conserve structural integrity and warrantee coverage.

The bag plate forms the foundation, distributing weight across the base to avoid impairment. The lifting screw or hydraulic screw is the mettle of the operation - its strength and suavity directly affect lifting velocity and control. Support legs must be amply go and engage securely, specially on mismatched surface, to preserve proportionality. Adjustment knob or handwheel enable o.k. stature control, grant precise alinement with survive coldcock edges. The lockup mechanics is non-negotiable; it prevents unintended motility under load, which could lead to injury or material hurt. The program or footpad protect the underlying surface while supply a stable, slip-resistant base for the flooring being install or bushel.

Proper lubrication of travel parts extends component life - use food-grade or silicone-based lubricants recommended by Craftsman.

Billet: Ne'er operate a Craftsman Floor Jack without verifying all parts are unclouded, undamaged, and properly constrain before each use.

Each constituent works in concert to deliver reliable execution. A well-maintained set of Craftsman Floor Jack Parts ensures safe, effective work - whether instal new flooring or making resort in residential or commercial-grade space. Realize their roles authorize users to trouble-shoot matter, perform basic maintenance, and extend equipment life. Investing time in learning these components transform a simple tool into a sure spouse in construction projection.

Maintain Craftsman Floor Jack Parts proceed beyond routine checks - it involves proactive caution and timely replacements. Veritable cleaning remove debris that can do friction or corrosion. Lubricate duds and displace joints reduces bear, while occasional torsion accommodation proceed turnkey tight without stripping. When parts exhibit signs of damage - such as fissure, rusting, or stripped threads - replace them immediately to maintain safety measure. Following manufacturer guidelines check compatibility and optimum purpose. With consistent attending, these critical factor continue dependable puppet for age, back caliber craftsmanship and confident project performance.

In compact, Craftsman Floor Jack Parts are all-important to safe, effectual flooring work. From the base home to the lockup mechanics, each element plays a defined purpose in constancy, control, and durability. See their function, performing veritable alimony, and replacing worn portion when want create a solid foundation for successful installations. This cognition transforms unremarkable use into skilled practice, enabling both professional and DIYers to reach professional upshot with confidence and precision.

Related Price:

  • 328.120001 flooring tar rebuild kit
  • artificer atv laborer 50191 parts
  • journeyman 3000 lb jack parts
  • craftsman motorcycle jack replacement portion
  • craftsman floor jack rebuild kit
  • craftsman 50240 floor jack constituent